|
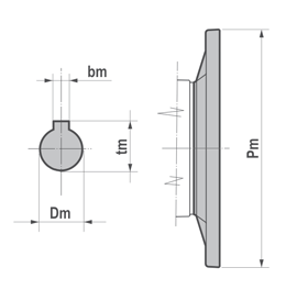
Моторный фланец на редукторе NMRV – съемный. По желанию возможна установка нестандартного фланца под ваш электродвигатель. Также следует помнить, что электродвигатели стандарта DIN зарубежных производителей имеют два варианта выходного фланца (B14 – малый фланец и B5 – большой фланец). |