Одноступенчатые червячные редукторы Ч-80: характеристики, устройство, принцип работы, стоимость

Ч-80
Редукторы червячные серии Ч-80 изготавливаются в обдуваемом исполнении (с вентилятора насаженного на быстроходный вал). Предназначены для эксплуатации с переменной и постоянной нагрузкой, указанных в технических условиях. Конструкция редуктора универсальная для всех вариантов сборки. Расположение червячной пары определяется установкой съемных лап на редукторе. Редуктор крепиться к изделию с помощью лап или бокового фланца. Работы по монтажу и эксплуатации должны выполняться в соответствии с требованиями ГОСТ 16162-93, ГОСТ 12.2.003-74, ГОСТ 12.3.009-76, ГОСТ 12.3.002-75.

 

Техническое описание

Условия применения

Габаритные и присоединительные размеры

Варианты сборки

Технические характеристики

 

Техническое описание

Редукторы Ч-80 применяются в качестве привода для понижения угловой скорости и увеличения крутящего момента. Редуктор имеет небольшую массу т.к. сделан из сплава алюминия. Выходной вал редуктора цилиндрический или полый, зависит от варианта сборки. Передаточное отношение в пределах 8 – 80. Контроль уровня масла осуществляется через специальное отверстие на корпусе редуктора. Новые редукторы поставляются покупателю в незаправленном виде, поэтому перед эксплуатацией в них обезательно нужно залить масло.

 

УСЛОВИЯ ПРИМЕНЕНИЯ РЕДУКТОРОВ Ч-80

  • Климатич. варианты исполнения: У,Т – категории размещения 1-3 , а также исполнения УХЛ/О - категория размещения 4 (ГОСТ 15150-69);
  • Эксплуатация предполагается в постоянном режиме – не более 24 ч/сут или с периодическими остановками;
  • Вал редуктора рассчитан на вращение в обе стороны, частота не выше 1800об/мин;
  • Устройство адаптировано для работы в условиях переменной и постоянной нагрузки (одного направления/реверсивная);
  • Эксплуатация предполагается в постоянном режиме – не более 24 ч/сут или с периодическими остановками;
  • Вал редуктора рассчитан на вращение в обе стороны, частота не выше 1800об/мин.;
  • Характер атмосферы: I и II (ГОСТ 15150-69), запыленность окружающего воздуха не должна превышать 10 мг/м.куб.

Внешний вид редуктора Ч80

 

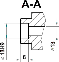
Габаритные и присоединительные размеры

 

Габаритные и присоединительные размеры Ч-80

Габаритные и присоединительные размеры Ч-80

Габаритные и присоединительные размеры Ч-80

Габаритные и присоединительные размеры Ч-80


Варианты сборки

Варианты сборки редукторов и расположения червячной пары


Варианты сборки редукторов и расположения червячной пары

Варианты расположения лап Ч-80


Варианты расположения лап (1-без лап; 2-5 расположение лап по плоскостям)

 

Технические характеристики червячного редуктор Ч-80

Номинальные передаточные числа Uном.
Значения допустимых крутящих моментов на выходном валу, к.п.д. и термической мощности при частоте вращения входного вала n, об/мин.
Допускаемая консольная нагрузка на вале , Н
750
1000
1500
входном
выходном
Мт, Н м
h
Nт, квт
Мт, Н м
h
Nт, квт
Мт, Н м
h
Nт, квт
8,0
280
0,89
3,1
250
0,90
3,6
212
0,91
4,6
500
4000
10,0
250
0,88
2,2
224
0,89
2,6
190
0,90
3,4
12,5
250
0,86
1,8
230
0,87
2,2
195
0,89
2,8
16,0
280
0,83
1,7
250
0,85
1,9
218
0,86
2,5
20,0
243
0,79
1,2
224
0,81
1,5
195
0,84
1,9
25,0
243
0,78
1,0
224
0,79
1,2
195
0,83
1,5
31,5
300
0,72
1,1
280
0,75
1,0
250
0,78
1,7
40,0
243
0,67
0,7
218
0,71
0,9
195
0,73
1,1
50,0
243
0,65
0,6
230
0,66
0,8
206
0,71
0,9
63,0
224
0,60
0,5
212
0,62
0,6
190
0,64
0,8
80,0
200
0,55
0,4
190
0,58
0,5
175
0,61
0,6

 

Двухступенчатые цилиндрические редукторы 1Ц2У-100, 1Ц2У-125, 1Ц2У-160, 1Ц2У-200, 1Ц2У-250

Одноступенчатые цилиндрические редукторы серии ЦУ-100, ЦУ-160, ЦУ-200, ЦУ-250

Двухступенчатые цилиндрические редукторы серии 1Ц2У-315Н, 1Ц2У-355Н, 1Ц2У-400Н, 1Ц2Н-450, 1Ц2Н-500

Трехступенчатые цилиндрические редукторы ЦЗУ-160, ЦЗУ-200, ЦЗУ-250

Одноступенчатые червячные редукторы серии 1Ч-63А

Одноступенчатые червячные редукторы Ч-100, Ч-125, Ч-160

Одноступенчатые червячные редукторы 1Ч-160

Двухступенчатые редукторы Ч2-160

Редукторы червячные одноступенчатые 4Ч-80

Одноступенчатые червячные редукторы Ч-80

Одноступенчатые червячные редукторы 2Ч-40, 2Ч-63, 2Ч-80

Цилиндрические соосные мотор-редукторы MTC A

Цилиндрические соосные мотор-редукторы R (RF)

Двухступенчатые мотор-редукторы 4МЦ2С, 4МЦ2С-63, 4МЦ2С-80, 4МЦ2С-100, 4МЦ2С-125

Цилиндрические мотор-редукторы 1МЦ2С, 1МЦ2С-63, 1МЦ2С-80, 1МЦ2С-100, 1МЦ2С-125

Цилиндрические плоские мотор-редукторы серии F

Мотор-редукторы планетарные тип: 3МП-31,5; 3МП-40; 3МП-50; 3МП-63; 3МП-80; 3МП-100; 3МП-125

Мотор-редукторы планетарные двухступенчатые МПО2М-10, МПО2М-15

Мотор-редукторы планетарные одноступенчатые типа МПО1М-10

Мотор-редукторы планетарные МРВ-02 и МРВ-04

Волновые мотор-редукторы ЗМВз

Цилиндро-конические мотор-редукторы K



 
© 2014 Редукторы, мотор-редукторы, устройства плавного пуска, преобразователи частоты