|

Двухступенчатые червячные мотор-редукторы STM (СТМ) серии CRMI 28/28, CRMI 28/40, CRMI 40/40, CRMI 28/50, CRMI 40/50, CRMI 28/63, CRMI 28/63, CRMI 28/70, CRMI 40/70, CRMI 50/70, CRMI 63/70, CRMI 40/85, CRMI 50/85, CRMI 63/85, CRMI 70/85, CRMI 50/110, CRMI 63/110, CRMI 70/110, CRMI 85/110, CRMI 63/130, CRMI 70/130, CRMI 85/130, CRMI 85/150, CRMI 110/150, CRMI 85/180, CRMI 110/180, CRMI 130/180: характеристики, устройство, принцип работы, цена |
|
Червячные двухступенчатые редукторы серии CRMI представляют собой комбинацию из двух редукторов серии RMI соединенных в одну единую конструкцию. Передаточное отношение равно сумме передаточных чисел первого и второго редукторов. В производстве редукторов применяются передовые разработки и качественные материалы, все это позволяет использовать редукторы в тяжелых условиях работы многие годы. Достоинства серии CRMI это компактные размеры, высокая надежность, широкий ряд передаточных чисел, различные варианты монтажа и низкая стоимость.
Передаточные отношения 49 - 10000
Обороты тихоходного вала 0,1 - 12 об/мин
Крутящий момент 10 - 4500 Нм
Мощность электродвигателя 0,06 - 5,5 кВт |
|
Серия имеет следующие типоразмеры:
CRMI 28/28, CRMI 28/40, CRMI 40/40, CRMI 28/50, CRMI 40/50, CRMI 28/63, CRMI 40/63, CRMI 28/70, CRMI 40/70, CRMI 50/70, CRMI 63/70, CRMI 40/85, CRMI 50/85, CRMI 63/85, CRMI 70/85, CRMI 50/110, CRMI 63/110, CRMI 70/110, CRMI 85/110, CRMI 63/130, CRMI 70/130, CRMI 85/130, CRMI 85/150, CRMI 110/150, CRMI 85/180, CRMI 110/180, CRMI 130/180

Система обозначения червячных мотор-редукторов серии CRMI
CRMI |
40/85 |
– S |
– 1 |
– 1/980 |
– T63A4B5 |
1 |
2 |
3 |
4 |
5 |
6 |
1 – Cерия двухступенчатого редуктора (CRMI )
2 – Межосевое расстояние первой и второй ступени, мм
3 - Исполнение редуктора (S, I, D, A, B7, B9)
4 - Монтажное положение (1, 2, B7, B9)
5 – Номинальное передаточное отношение редуктора
6 – Тип электродвигателя по стандарту IEC |
Типоразмер |
M max, Нм |
D - выходного вала,
мм |
CRMI 28/28 |
44 |
14 |
CRMI 28/40 |
62 |
19 |
CRMI 28/50 |
106 |
24 |
CRMI 40/40 |
77 |
19 |
CRMI 40/50 |
124 |
24 |
CRMI 40/63 |
235 |
25 |
CRMI 40/70 |
310 |
28 |
CRMI 40/85 |
590 |
32 |
CRMI 50/70 |
560 |
28 |
CRMI 50/85 |
650 |
32 |
CRMI 50/110 |
900 |
42 |
CRMI 63/85 |
720 |
32 |
CRMI 63/110 |
980 |
42 |
CRMI 70/110 |
1100 |
42 |
CRMI 70/130 |
1750 |
48 |
CRMI 85/150 |
2700 |
55 |
CRMI 85/180 |
4500 |
65 |
|
Габаритные и присоединительные размеры
Реактивная штанга, выходной вал - размеры
Монтажные положения и количество масла, заливаемого в мотор-редукторы CRMI
Вес червячных редукторов серии CRMI, кг
Выходные обороты и мощность электродвигателей (кВт)

CRI
CRMI |
A |
a |
B |
b |
C |
Dh7 |
d j6 |
E |
E1 |
e |
f |
Q |
H |
I |
I1 |
L |
m |
M1 |
N |
N1 |
S |
T |
T1 |
28/28 |
67 |
52 |
78 |
66 |
30 |
14 |
9 |
40 |
40 |
35 |
5,5 |
90 |
52 |
28 |
28 |
20 |
M4 |
47 |
44,5 |
44,5 |
6 |
49 |
49 |
28/40 |
100 |
70 |
102 |
84 |
41 |
19(18) |
9 |
59 |
40 |
35 |
7 |
104,5 |
71 |
40 |
28 |
20 |
M4 |
47 |
61,5 |
44,5 |
8 |
66 |
49 |
40/40 |
100 |
70 |
102 |
84 |
41 |
19(18) |
11 |
59 |
59 |
49 |
7 |
145,5 |
71 |
40 |
40 |
22 |
M5 |
64 |
61,5 |
61,5 |
8 |
66 |
66 |
28/50 |
120 |
85 |
119 |
99 |
49 |
24(25) |
9 |
69 |
40 |
35 |
9 |
115 |
85 |
50 |
28 |
20 |
M4 |
43 |
72,5 |
44,5 |
10 |
80 |
49 |
40/50 |
120 |
85 |
119 |
99 |
49 |
24(25) |
11 |
69 |
59 |
49 |
9 |
106 |
85 |
50 |
40 |
22 |
M5 |
64 |
72,5 |
61,5 |
10 |
80 |
66 |
28/63 |
140 |
95 |
136 |
111 |
60 |
25 |
9 |
81 |
40 |
35 |
11 |
135,5 |
100 |
63 |
28 |
20 |
M4 |
47 |
84 |
44,5 |
11 |
99 |
49 |
40/63 |
140 |
95 |
136 |
111 |
60 |
25 |
11 |
81 |
59 |
49 |
11 |
146 |
100 |
63 |
40 |
22 |
M5 |
64 |
84 |
61,5 |
11 |
99 |
66 |
28/70 |
158 |
120 |
140 |
116 |
60 |
28 |
9 |
87 |
40 |
35 |
11 |
140,5 |
115 |
70 |
28 |
20 |
M4 |
47 |
92 |
44,5 |
13 |
108 |
49 |
40/70 |
158 |
120 |
140 |
116 |
60 |
28 |
11 |
87 |
59 |
49 |
11 |
151 |
115 |
70 |
40 |
22 |
M5 |
64 |
92 |
61,5 |
13 |
108 |
66 |
50/70 |
158 |
120 |
140 |
116 |
60 |
28 |
14 |
87 |
69 |
59 |
11 |
149 |
115 |
70 |
50 |
30 |
M6 |
74 |
92 |
72,5 |
13 |
108 |
80 |
63/70 |
158 |
120 |
140 |
116 |
60 |
28 |
18 |
87 |
81 |
69 |
11 |
182 |
115 |
70 |
63 |
45 |
M6 |
96 |
92 |
81 |
13 |
108 |
99 |
40/85 |
193 |
140 |
168 |
140 |
61 |
32(35) |
11 |
105 |
87 |
68 |
13 |
198 |
135 |
85 |
40 |
22 |
M5 |
64 |
111 |
61,5 |
15 |
135 |
66 |
50/85 |
193 |
140 |
168 |
140 |
61 |
32(35) |
14 |
105 |
69 |
59 |
13 |
173 |
135 |
85 |
50 |
30 |
M6 |
74 |
111 |
72,5 |
15 |
135 |
80 |
63/85 |
193 |
140 |
168 |
140 |
61 |
32(35) |
18 |
105 |
81 |
69 |
13 |
198 |
135 |
85 |
63 |
45 |
M6 |
96 |
111 |
81 |
15 |
135 |
99 |
70/85 |
193 |
140 |
168 |
140 |
61 |
32(35) |
19 |
105 |
87 |
68 |
13 |
165 |
135 |
85 |
70 |
40 |
M8 |
97 |
111 |
92 |
15 |
135 |
108 |
50/110 |
250 |
200 |
200 |
162 |
77,5 |
42 |
14 |
135 |
69 |
59 |
14 |
236,5 |
172 |
110 |
50 |
30 |
M6 |
74 |
142 |
72,5 |
17 |
170 |
80 |
63/110 |
250 |
200 |
200 |
162 |
77,5 |
42 |
18 |
135 |
81 |
69 |
14 |
227 |
172 |
110 |
63 |
45 |
M6 |
96 |
142 |
81 |
17 |
170 |
99 |
70/110 |
250 |
200 |
200 |
162 |
77,5 |
42 |
19 |
135 |
87 |
68 |
14 |
191 |
172 |
110 |
70 |
40 |
M8 |
97 |
142 |
92 |
17 |
170 |
108 |
85/110 |
250 |
200 |
200 |
162 |
77,5 |
42 |
24 |
135 |
105 |
71 |
14 |
195 |
172 |
110 |
85 |
50 |
M8 |
115 |
142 |
111 |
17 |
170 |
135 |
63/130 |
286 |
235 |
230 |
190 |
90 |
48 |
18 |
154 |
81 |
69 |
15 |
265 |
200 |
130 |
63 |
45 |
M6 |
96 |
161,5 |
81 |
19 |
195 |
99 |
70/130 |
286 |
235 |
230 |
190 |
90 |
48 |
19 |
154 |
87 |
68 |
15 |
214 |
200 |
130 |
70 |
40 |
M8 |
97 |
161,5 |
92 |
19 |
195 |
108 |
85/130 |
286 |
235 |
230 |
190 |
90 |
48 |
24 |
154 |
105 |
71 |
15 |
213 |
200 |
130 |
85 |
50 |
M8 |
115 |
161,5 |
111 |
19 |
195 |
135 |
85/150 |
336 |
260 |
250 |
210 |
105 |
55 |
24 |
178 |
105 |
71 |
19 |
240 |
230 |
150 |
85 |
50 |
M8 |
115 |
189 |
111 |
20 |
224 |
135 |
110/150 |
336 |
260 |
250 |
210 |
105 |
55 |
28 |
178 |
135 |
92 |
19 |
254 |
230 |
150 |
110 |
60 |
M8 |
146 |
189 |
142 |
20 |
224 |
170 |
85/180 |
400 |
310 |
320 |
260 |
120 |
65 |
24 |
210 |
105 |
71 |
22 |
283 |
265 |
180 |
85 |
50 |
M8 |
115 |
232 |
111 |
22 |
265 |
135 |
110/180 |
400 |
310 |
320 |
260 |
120 |
65 |
28 |
210 |
135 |
92 |
22 |
296 |
265 |
180 |
110 |
60 |
M8 |
146 |
232 |
142 |
22 |
265 |
170 |
130/180 |
400 |
310 |
320 |
260 |
120 |
65 |
38 |
210 |
150 |
102 |
22 |
306 |
265 |
180 |
130 |
80 |
M10 |
166 |
232 |
159 |
22 |
265 |
200 |
Назад

CRI CRMI |
C |
D H7 |
d j6 |
E |
E1 |
e |
Q |
I |
I1 |
L |
m |
M1 |
N |
N1 |
T |
T1 |
28/28 |
30 |
14 |
9 |
40 |
40 |
35 |
90 |
28 |
28 |
20 |
M4 |
47 |
44.5 |
44.5* |
49 |
49 |
28/40 |
41 |
19 (18) |
9 |
59 |
40 |
35 |
104.5 |
40 |
28 |
20 |
M4 |
47 |
61.5 |
44.5* |
66 |
49 |
40/40 ** |
41 |
19 (18) |
11 |
59 |
59 |
49 |
145.5 |
40 |
40 |
22 |
M5 |
64 |
61.5 |
61.5 |
66 |
66 |
28/50 |
49 |
24 (25) |
9 |
69 |
40 |
35 |
115 |
50 |
28 |
20 |
M4 |
43 |
72.5 |
44.5* |
80 |
49 |
40/50 |
49 |
24 (25) |
11 |
69 |
59 |
49 |
106 |
50 |
40 |
22 |
M5 |
64 |
72.5 |
61.5 |
80 |
66 |
28/63 |
60 |
25 |
9 |
81 |
40 |
35 |
135.5 |
63 |
28 |
20 |
M4 |
47 |
84 |
44.5* |
99 |
49 |
40/63 |
60 |
25 |
11 |
81 |
59 |
49 |
145.5 |
63 |
40 |
22 |
M5 |
64 |
84 |
61.5 |
99 |
66 |
28/70 |
60 |
28 |
9 |
87 |
40 |
35 |
140.5 |
70 |
28 |
20 |
M4 |
47 |
92 |
44.5* |
108 |
49 |
40/70 |
60 |
28 |
11 |
87 |
59 |
49 |
151 |
70 |
40 |
22 |
M5 |
64 |
92 |
61.5 |
108 |
66 |
50/70 |
60 |
28 |
14 |
87 |
69 |
59 |
149 |
70 |
50 |
30 |
M6 |
74 |
92 |
72.5 |
108 |
80 |
63/70 ** |
60 |
28 |
18 |
87 |
81 |
69 |
182 |
70 |
63 |
45 |
M6 |
96 |
92 |
81 |
108 |
99 |
40/85 ** |
61 |
32 (35) |
11 |
105 |
59 |
49 |
198 |
85 |
40 |
22 |
M5 |
64 |
111 |
61.5 |
135 |
66 |
50/85 |
61 |
32 (35) |
14 |
105 |
69 |
59 |
173 |
85 |
50 |
30 |
M6 |
74 |
111 |
72.5 |
135 |
80 |
63/85 ** |
61 |
32 (35) |
18 |
105 |
81 |
69 |
198 |
85 |
63 |
45 |
M6 |
96 |
111 |
81 |
135 |
99 |
70/85 |
61 |
32 (35) |
19 |
105 |
87 |
68 |
165 |
85 |
70 |
40 |
M8 |
97 |
111 |
92 |
135 |
108 |
50/110 ** |
77.5 |
42 |
14 |
135 |
69 |
59 |
236.5 |
110 |
50 |
30 |
M6 |
74 |
142 |
72.5 |
170 |
80 |
63/110 ** |
77.5 |
42 |
18 |
135 |
81 |
69 |
227 |
110 |
63 |
45 |
M6 |
96 |
142 |
81 |
170 |
99 |
70/110 |
77.5 |
42 |
19 |
135 |
87 |
68 |
191 |
110 |
70 |
40 |
M8 |
97 |
142 |
92 |
170 |
108 |
85/110 |
77.5 |
42 |
24 |
135 |
105 |
71 |
195 |
110 |
85 |
50 |
M8 |
115 |
142 |
111 |
170 |
135 |
63/130 ** |
90 |
48 |
18 |
154 |
81 |
69 |
265 |
130 |
63 |
45 |
M6 |
96 |
161.5 |
81 |
195 |
99 |
70/130 |
90 |
48 |
19 |
154 |
87 |
68 |
214 |
130 |
70 |
40 |
M8 |
97 |
161.5 |
92 |
195 |
108 |
85/130 |
90 |
48 |
24 |
154 |
105 |
71 |
213 |
130 |
85 |
50 |
M8 |
115 |
161.5 |
111 |
195 |
135 |
85/150 |
105 |
55 |
24 |
178 |
105 |
71 |
240 |
150 |
85 |
50 |
M8 |
115 |
189 |
111 |
224 |
135 |
110/150 |
105 |
55 |
28 |
178 |
135 |
92 |
254 |
150 |
110 |
60 |
M8 |
146 |
189 |
142 |
224 |
170 |
85/180 |
120 |
65 |
24 |
210 |
105 |
71 |
283 |
180 |
85 |
50 |
M8 |
115 |
232 |
111 |
265 |
135 |
110/180 |
120 |
65 |
28 |
210 |
135 |
92 |
296 |
180 |
110 |
60 |
M8 |
146 |
232 |
142 |
265 |
170 |
130/180 |
120 |
65 |
38 |
210 |
150 |
102 |
306 |
180 |
130 |
80 |
M10 |
166 |
232 |
159 |
265 |
200 |
CRI CRMI |
F |
GH8 |
P |
R |
U |
V |
Z |
Fp |
Gp e8 |
Pp |
Rp |
Up |
Vp |
28/28 |
70 |
40 |
49 |
56 |
5 |
6 |
5 |
67 |
42(H8) |
36 |
56 |
7 |
M6 |
28/40 |
140° |
95 |
82 |
115 |
5 |
8.5 |
9 |
95 |
60 |
38 |
83 |
2 |
M6 |
40/40 ** |
28/50 |
160° |
110 |
91.5 |
130 |
5 |
10 |
10 |
105 |
70 |
49 |
85 |
2.5 |
M8 |
40/50 |
28/63 |
180° |
115 |
116 |
150 |
5 |
11 |
11 |
105 |
70 |
57.5 |
85 |
3.5 |
M8 |
40/63 |
28/70 |
200° |
130 |
111 |
165 |
5 |
13 |
11 |
120 |
80 |
57 |
100 |
5 |
M8 |
40/70 |
50/70 |
63/70 ** |
40/85 ** |
200 |
130 |
100 |
165 |
5 |
13 |
12 |
144 |
110 |
56.5 |
130 |
3.5 |
M10 |
50/85 |
63/85 ** |
70/85 |
50/110 ** |
250 |
180 |
150 |
215 |
5 |
15 |
16 |
200 |
130 |
74 |
165 |
3 |
M12 |
63/110 ** |
70/110 |
85/110 |
63/130 ** |
300 |
230 |
150 |
265 |
5 |
15 |
18 |
242 |
180 |
87 |
215 |
5 |
M12 |
70/130 |
85/130 |
85/150 |
350 |
250 |
160 |
300 |
6 |
19 |
18 |
250 |
180 |
102 |
215 |
5 |
M14 |
110/150 |
85/180 |
400 |
300 |
180 |
350 |
6.5 |
22 |
22 |
300 |
230 |
117 |
265 |
5 |
M16 |
110/180 |
130/180 |
Назад

|
CRI -CRMI |
28/28 |
28/40
40/40** |
28/50
40/50 |
28/63
40/63 |
28/70
40/70
50/70
63/70** |
40/85**
50/85
63/85**
70/85 |
50/110**
63/110**
70/110
85/110 |
85/180
110/180
130/180 |
F1 |
F2 |
F1 |
F2 |
F1 |
F2 |
F3 |
F4 |
F1º |
F2º |
F3º |
F1º |
F2º |
F3 |
F1 |
F2 |
F3 |
F1 |
F2 |
F3 |
F2 |
F |
80 |
95 |
106 |
120 |
125 |
125 |
140 |
125 |
175 |
200 |
160 |
175 |
175 |
160 |
200 |
210 |
160 |
200 |
270 |
270 |
400 |
G (H8) |
50 |
70 |
60 |
80 |
70 |
70 |
95 |
70 |
115 |
130 |
110 |
115 |
115 |
110 |
130 |
152 |
110 |
130 |
170 |
170 |
300 |
P |
53 |
72 |
69 |
62 |
93 |
73 |
75 |
85 |
86 |
102 |
82 |
116 |
85 |
101 |
141 |
120 |
91 |
115 |
132 |
178 |
150 |
R |
62 |
85 |
87 |
100 |
90 |
100 |
115 |
90 |
150 |
165 |
130 |
150 |
150 |
130 |
165 |
176 |
130 |
165 |
230 |
230 |
350 |
U |
4 |
4 |
5 |
5 |
5 |
4 |
4 |
5 |
5 |
5 |
5 |
5 |
5 |
6 |
6 |
5 |
5 |
5 |
10 |
10 |
6.5 |
V |
6 |
6.5 |
8.5 |
9 |
10.5 |
9 |
9 |
10.5 |
11 |
13 |
10 |
11 |
11 |
11 |
13 |
13 |
11.5 |
13 |
13.5 |
13.5 |
22 |
Z |
7 |
8 |
9 |
9 |
10 |
9 |
9 |
11 |
11 |
11 |
11 |
10 |
10 |
11 |
12 |
14 |
10 |
12 |
18 |
18 |
22 |
CRI
CRMI |
C |
DH7 |
dJ6 |
E |
E1 |
e |
Q |
I |
I1 |
L |
m |
M1 |
N |
N1 |
T |
T1 |
28/28 |
30 |
14 |
9 |
40 |
40 |
35 |
90 |
28 |
28 |
20 |
М 4 |
47 |
44.5 |
44,5 * |
49 |
49 |
28/40 |
41 |
19 (18 ) |
9 |
59 |
40 |
35 |
104.5 |
40 |
28 |
20 |
М 4 |
47 |
61.5 |
44,5 * |
66 |
49 |
40/40 * * |
41 |
19 (18 ) |
11 |
59 |
59 |
49 |
145.5 |
40 |
40 |
22 |
М 5 |
64 |
61.5 |
61.5 |
66 |
66 |
28/50 |
49 |
24 (25 ) |
9 |
69 |
40 |
35 |
115 |
50 |
28 |
20 |
М 4 |
43 |
72.5 |
44,5 * |
80 |
49 |
40/50 |
49 |
24 (25 ) |
11 |
69 |
59 |
49 |
106 |
50 |
40 |
22 |
М 5 |
64 |
72.5 |
61.5 |
80 |
66 |
28/63 |
60 |
5 |
9 |
81 |
40 |
35 |
135.5 |
63 |
28 |
20 |
М 4 |
47 |
81 |
44,5 * |
99 |
49 |
40/63 |
60 |
25 |
11 |
81 |
59 |
49 |
146 |
63 |
40 |
22 |
М 5 |
64 |
81 |
61.5 |
99 |
66 |
28/70 |
60 |
28 |
9 |
87 |
40 |
35 |
140.5 |
70 |
28 |
20 |
М 4 |
47 |
92 |
44,5 * |
108 |
49 |
40/70 |
60 |
28 |
11 |
87 |
59 |
49 |
151 |
70 |
40 |
22 |
М 5 |
64 |
92 |
61.5 |
108 |
66 |
50/70 |
60 |
28 |
14 |
87 |
69 |
59 |
149 |
70 |
50 |
30 |
М 6 |
74 |
92 |
72. 5 |
108 |
80 |
63/70 * * |
60 |
28 |
18 |
87 |
81 |
69 |
182 |
70 |
63 |
45 |
М 6 |
96 |
92 |
81 |
108 |
99 |
40/85 * * |
61 |
32 (35 ) |
11 |
105 |
59 |
49 |
198 |
85 |
40 |
22 |
М 5 |
64 |
111 |
61.5 |
135 |
66 |
50/85 |
61 |
32 (35 ) |
14 |
105 |
69 |
59 |
173 |
85 |
50 |
30 |
М 6 |
74 |
111 |
72.5 |
135 |
80 |
63/85 * * |
61 |
32 (35 ) |
18 |
105 |
81 |
69 |
198 |
85 |
63 |
45 |
М 6 |
96 |
111 |
81 |
135 |
99 |
70/85 |
61 |
32 (35 ) |
19 |
105 |
87 |
68 |
165 |
85 |
70 |
40 |
M 8 |
97 |
111 |
92 |
135 |
108 |
50/110 * * |
77.5 |
42 |
14 |
135 |
69 |
59 |
236.5 |
110 |
50 |
30 |
М 6 |
74 |
142 |
72.5 |
170 |
80 |
63/110 * * |
77.5 |
42 |
18 |
135 |
81 |
69 |
227 |
110 |
63 |
45 |
М 6 |
96 |
142 |
81 |
170 |
99 |
70/110 |
77.5 |
42 |
19 |
135 |
87 |
68 |
191 |
110 |
70 |
40 |
M 8 |
97 |
142 |
92 |
170 |
108 |
85/110 |
77.5 |
42 |
24 |
135 |
105 |
71 |
195 |
110 |
85 |
50 |
M 8 |
115 |
142 |
111 |
170 |
135 |
85/180 |
120 |
65 |
24 |
210 |
105 |
71 |
283 |
180 |
85 |
50 |
M 8 |
115 |
232 |
111 |
265 |
135 |
110/180 |
120 |
65 |
28 |
210 |
135 |
92 |
296 |
180 |
110 |
60 |
M 8 |
146 |
232 |
142 |
265 |
170 |
130/180 |
120 |
65 |
38 |
210 |
150 |
102 |
306 |
180 |
130 |
80 |
M1 0 |
166 |
232 |
159 |
265 |
200 |
Назад
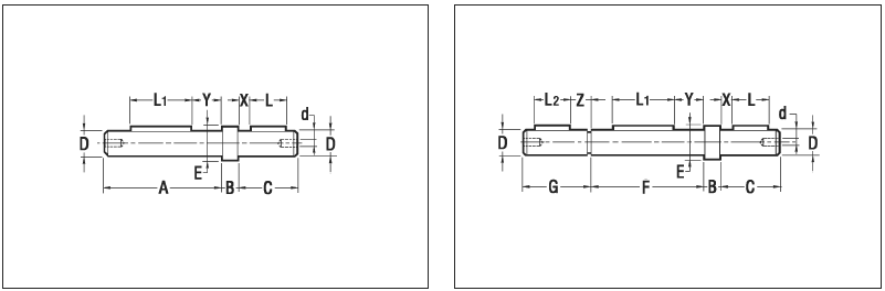
Реактивная штанга, выходной вал

RI-RMI |
28 |
40 |
50 |
63 |
70 |
85 |
110 |
130 |
150 |
180 |
CRI-CRMI |
28/28 |
28/40
40/40 |
28/50
40/50 |
28/63
40/63 |
28/70
40/70
50/70
63/70 |
40/85
50/85
63/85
70/85 |
50/110
63/110
70/110
85/110 |
63/130
70/130
85/130 |
85/150
110/150 |
85/180
110/180
130/180 |
CR-CB |
- |
40 |
50 |
- |
70 |
85 |
110 |
- |
- |
- |
A |
58 |
80 |
95 |
109 |
117 |
119 |
153 |
177 |
207 |
239 |
B |
1,5 |
10 |
10 |
10 |
10 |
10 |
10 |
20 |
20 |
20 |
C |
29,5 |
40 |
45 |
60 |
60 |
71 |
100 |
110 |
110 |
130 |
Dg6 |
14 |
19 |
24 |
25 |
28 |
32 |
42 |
48 |
55 |
65 |
d |
M6 |
M8 |
M8 |
M8 |
M8 |
M10 |
M10 |
M10 |
M12 |
M14 |
E |
17 |
22 |
28 |
34 |
34 |
38 |
50 |
58 |
63 |
78 |
F |
60 |
82 |
98 |
120 |
120 |
122 |
155 |
180 |
210 |
240 |
G |
31 |
50 |
55 |
70 |
70 |
81 |
110 |
130 |
130 |
150 |
L |
20 |
25 |
30 |
40 |
40 |
50 |
80 |
90 |
90 |
100 |
L1 |
20 |
40 |
50 |
60 |
60 |
70 |
80 |
90 |
100 |
120 |
L2 |
20 |
25 |
30 |
40 |
40 |
50 |
80 |
90 |
90 |
100 |
X |
4,5 |
8 |
7,5 |
10 |
10 |
10 |
10 |
10 |
10 |
15 |
Y |
20 |
21 |
24 |
30 |
30 |
26 |
37 |
45 |
55 |
60 |
Z |
6 |
18 |
18 |
20 |
20 |
20 |
20 |
30 |
30 |
35 |
RI-RMI |
28 |
40 |
50 |
63 |
70 |
85 |
110 |
130 |
150 |
180 |
CRI-CRMI |
28/28 |
28/40
40/40 |
28/50
40/50 |
28/63
40/63 |
28/70
40/70
50/70
63/70 |
40/85
50/85
63/85
70/85 |
50/110
63/110
70/110
85/110 |
63/130
70/130
85/130 |
85/150
110/150 |
85/180
110/180
130/180 |
CR-CB |
- |
40 |
50 |
- |
70 |
85 |
110 |
- |
- |
- |
A |
70 |
90 |
100 |
150 |
150 |
200 |
250 |
300 |
350 |
400 |
B |
34,5 |
50 |
60 |
53 |
60 |
75 |
100 |
120 |
125 |
150 |
C |
119,5 |
165 |
185 |
230 |
240 |
313 |
388 |
465 |
525 |
610 |
D |
42,15 |
60 |
70 |
70 |
80 |
110 |
130 |
180 |
180 |
230 |
E |
56 |
83 |
85 |
85 |
100 |
130 |
165 |
215 |
215 |
265 |
F |
6,5 |
7 |
9 |
9 |
9 |
11 |
13 |
13 |
15 |
17 |
G |
- |
15 |
15 |
20 |
20 |
25 |
25 |
30 |
30 |
35 |
H |
9 |
10 |
10 |
10 |
10 |
20 |
20 |
25 |
25 |
35 |
I |
4 |
4 |
4 |
6 |
6 |
6 |
6 |
6 |
6 |
10 |
Назад
Монтажные положения и количество масла, заливаемого в мотор-редукторы CRMI

Положение клемной коробки эл.двигателя

Назад
Вес червячных редукторов серии CRMI, кг
CRMI 28/28 |
2,8
|
CRMI 28/40 |
3,5 |
CRMI 40/40 |
4,2 |
CRMI 28/50 |
5,2 |
CRMI 40/50 |
5,9 |
CRMI 28/63 |
7,4 |
CRMI 28/70 |
14,4 |
CRMI 40/70 |
16,1 |
CRMI 50/70 |
16,8 |
CRMI 63/70 |
19 |
CRMI 40/85 |
20 |
CRMI 50/85 |
22 |
CRMI 63/85 |
24 |
CRMI 70/85 |
31 |
CRMI 50/110 |
42 |
CRMI 63/110 |
44 |
CRMI 70/110 |
51 |
CRMI 85/110 |
56 |
CRMI 63/130 |
54 |
CRMI 70/130 |
61 |
CRMI 85/130 |
66 |
CRMI 85/150 |
95 |
CRMI 110/150 |
115 |
CRMI 85/180 |
148 |
CRMI 110/180 |
168 |
CRMI 130/180 |
178 |
|
| |
|
| ©
2014 Редукторы, мотор-редукторы, устройства плавного пуска, преобразователи частоты |
|
|