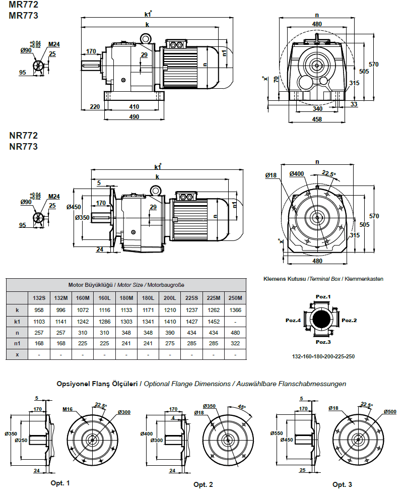
Габаритные и присоединительные размеры MR772, MR773 (MRF772, MRF773)
Назад
Назад
© 2014 Редукторы, мотор-редукторы, устройства плавного пуска, преобразователи частоты