Двухступенчатые червячные мотор-редукторы DRV: характеристики, устройство, принцип работы, стоимость

DRV

Двухступенчатые червячные мотор-редукторы DRV собираются на базе редукторов NMRV. Даная серия широко применяется в приводах, где требуется низкая скорость и высокий крутящий момент. Модульная сборка позволяет получить различные варианты компоновки, а широкий диапазон передаточных чисел позволит получить любые обороты. Редукторы комплектуются дополнительными опциями (валы, фланцы, штанги). По желанию заказчика возможна установка двигателя с электротормозом.

Серия DRV имеет идентичные размеры и характеристики со многими марками червячных редукторов, таблицы совместимости вы можете найти на сайте или позвонить нашим консультантам.

 

Выходные обороты и мощность электродвигателей (кВт)

Конструктивные особенности

Замечания по условиям применения

Внешний вид мотор-редукторов DRV

Габаритные и присоединительные размеры DRV

Фланец выходного вала

Размеры выходного вала

Рычаг крутящего момента

Монтажные позиции

 

Конструктивные особенности

  • Типоразмер 030, 040, 050, 063, 075, 090 - изготавливается из алюминиевого сплава, литого под давлением;
  • Типоразмер 110, 130,150 - изготавливается из серого чугуна с механической обработкой;
  • Нагрузочная способность в соответствии с: ISO 14521, ISO 6336, DIN 3990, DIN 743, ISO 281, DIN 3996, BS 721, AGMA 6034;
  • Окраска редуктора синяя - RAL 5010.

 

Замечания по условиям применения

  • Не допускается использование редуктора в качестве мультипликатор (повышающего угловую скорость выходного вал);
  • Не допускается использование редуктора при высоких моментах инерции выходной нагрузки;
  • Не рекомендуется использовать редуктор в качестве привода подъемных механизмов;
  • Высокая динамическая нагрузка может снизить срок службы редуктора;
  • При использовании редуктора при температуре ниже -30°C или выше 40°C следует использовать масло соответствующее нужной температуре;
  • Запрещено использовать редуктор в агрессивных химических средах;
  • Максимальный крутящий момент не должен превышать номинальное значение указанное в технических характеристиках более чем в два раза;
  • Срок службы редуктора зависит от сервис фактора (SF), и составляет 8700 часов при условии (f.s.≥1).

 

Внешний вид мотор-редукторов DRV

Внешний вид мотор-редуктора DRV
червячные мотор-редукторы DRV
Двухступенчатые червячные мотор-редукторы DRV
Двухступенчатые червячные мотор-редукторы DRV

 

 

Габаритные и присоединительные размеры DRV

Габаритные и присоединительные размеры DRV

 

A
B
G1
H
I
R
H2
I2
N2
R2
Z
~Kg
025-030
70
45
63
40
30
57
35
25
22,5
48
100
1,9
025-040
70
45
78
50
40
71,5
35
25
22,5
48
115
3
030-040
80
55
78
50
40
71,5
40
30
29
57
122
3,5
030-050
80
55
92
60
50
84
40
30
29
57
132
4,7
030-063
80
55
112
72
63
107
40
30
29
57
150
7,4
040-050
100
70
92
60
50
84
50
40
36,5
71,5
140,5
5,8
040-063
100
70
112
72
63
107
50
40
36,5
71,5
161
8,5
040-075
100
70
120
89
75
123
50
40
36,5
71,5
178,5
11,3
040-090
100
70
140
103
90
144
50
40
36,5
71,5
197
15,3
050-090
120
80
140
103
90
144
60
50
43,5
84
214
16,5
050-110
120
80
155
127,5
110
167,5
60
50
43,5
84
237
24,5
063-110
144
109
155
127,5
110
167,5
72
63
53
107
237
27,2
063-130
144
109
170
147,5
130
187,5
72
63
53
107
245
54,2
063-150
144
109
200
170
150
230
72
63
53
107
275
90,2

 

Фланец выходного вала

Фланец выходного вала

 

030
040
050
063
075
090
110
130
150

 

 

 

 

FA

 

 

 

 

KA
54,5
67
90
82
111
111
131
140
155
KB
6
7
9
10
13
13
15
15
15
KC
4
4
5
6
6
6
6
6
6
KN
50
60
70
115
130
152
170
180
180
KM
68
80 min
90 min
150
165
175
230
255
255
KO
6.5 (n°4)
9 (n°4)
11 (n°4)
11 (n°4)
11 (n°4)
11 (n°4)
14 (n°8)
16 (n°8)
16 (n°8)
KP
80
110
125
180
200
210
280
320
320
KQ
70
95
110
142
170
200
260
290
290
KW
45°
45°
45°
45°
45°
45°
45°
22.5°
22.5°

 

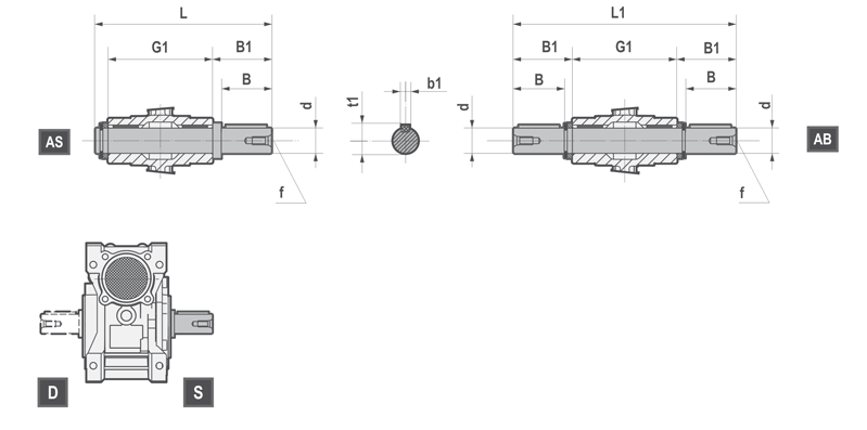
Размеры выходного вала

Размеры выходного вала

 

030
040
050
063
075
090
110
130
150
d
14 h6
18 h6
25 h6
25 h6
28 h6
35 h6
42 h6
45 h6
50 h6
B
30
40
50
50
60
80
80
80
82
B1
32,5
43
53,5
53,5
63,5
84,5
84,5
85
87
G1
63
78
92
112
120
140
155
170
200
L
102
128
153
173
192
234
249
265
297
L1
128
164
199
219
247
309
324
340
374
f
M6
M6
M10
M10
M10
M12
M16
M16
M16
b1
5
6
8
8
8
10
12
14
14
t1
16
20,5
28
28
31
38
45
48,5
53,5

 

Рычаг крутящего момента

Рычаг крутящего момента

 

030
040
050
063
075
090
110
130
150
K1
85
100
100
150
200
200
250
250
250
G
14
14
14
14
25
25
30
30
30
KG
24
31,5
38,5
49
47,5
57,5
62
69
84
KH
8
10
10
10
20
20
25
25
25
R
15
18
18
18
30
30
35
35
35

 

Монтажные позиции

Монтажные позиции

 

 

1 - Первая ступень; 2 - Вторая ступень

 

Выходные обороты и мощность электродвигателей (кВт)

 

 
© 2014 Редукторы, мотор-редукторы, устройства плавного пуска, преобразователи частоты