|

Одноступенчатые червячные мотор-редукторы Bonfiglioli (Бонфиглиоли) VF27, VF30, VF44, VF49, W63, W75, W86, W110, VF130, VF150, VF185, VF210, VF250: характеристики, устройство, принцип работы, цена |
|
Червячные мотор-редукторы BONFIGLIOLI зарекомендовали себя как надежные изделия. Мотор-редукторы BONFIGLIOLI успешно используются во всех отраслях промышленности, так как совмещают в себе высокое качество и низкую стоимость. Редукторы имеют большой выбор установочных вариантов и дополнительных опций. На базе серии VF и W для получения высоких значений передаточных чисел реализуются двух ступенчатые цилиндро-червячные или червячно-червячные конструкции.
Передаточные числа редукторов от 5/1 до 10000/1. Максимальный крутящий момент 7000 Нм. Мотор-редукторы BONFIGLIOLI могут быть укомплектованы электродвигателями с со встроенным электротормозом или взрывозащитой. Дополнительно можно установить оптический энкодер или термистор. Корпус в форме куба со специально обработанными поверхностями упрощает монтаж мотор-редуктора и позволяет устанавливать дополнительное оборудование.
Корпуса редукторов VF 27, VF 30, VF 44, VF 49, W63, W75, W86 - изготовлены из силумина, а редукторы W110, VF 130, VF 150, VF 185, VF210, VF250 – выполнены из чугуна.
|
|
Серия имеет следующие типоразмеры:
VF 27 - VF 30 - VF 44 - VF 49 - W63 - W75 - W86 - W110 - VF 130 - VF 150 - VF 185 - VF210 - VF250

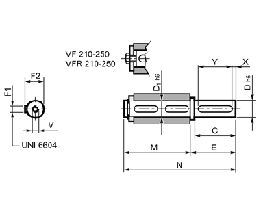
Система обозначения червячных мотор-редукторов серии VF/W
W-63-L1-UF1-25-20-S2-B14-B3-CW-BN-63A-4-230/400-50-IP54-CLF-B5-FD-3,5-R-SB-220SA
1. W – тип мотор-редуктора (VF, W - червячный мотор-редуктор, VFR, WR – цилиндро-червячный редуктор, VF/VF, VF/W, W/VF - комбинация из двух червячных редукторов);
2. 63 – габарит (межосевое расстояние, мм: 27, 30, 44, 49, 63, 75, 86, 110, 130,150,185, 210, 250);
3. L1 – ограничитель крутящего момента (L1, L2, LF);
4. UF1 – вариант исполнения;
5. 25 – диаметр выходного вала;
6. 20 – передаточное отношение;
7. S2 – конфигурация на входе (P IEC – двигатель и редуктор, S – редукторный электродвигатель, HS – входной цилиндрический вал);
9. B14 – тип фланца электродвигателя (B5 – большой фланец, B14 – маленький фланец);
10. B3 – установочное положение редуктора (B3, B6, B7, B8, V5, V6);
11. CW – установочная конфигурация (CW, CCW);
12. BN – Тип электродвигателя (M – трехфазный интегральный электродвигатель, K – трехфазный компактный электродвигатель, BN – трехфазный электродвигатель IEC);
13. 63A – типоразмер электродвигателя;
14. 4 – количество полюсов (2, 4, 6, 8);
15. 230/400-50 – напряжение (В) и частота (Гц) питания электродвигателя;
16. IP54 – степень защиты;
17. CLF – класс изоляции (CLF – стандартное исполнение, CLH - под заказ);
18. B5 – вариант конструкции;
19. FD – тип тормоза;
20. 3,5 – тормозной момент в Нм;
21. R – рычаг ручного растормаживания;
22. SB – тип питания тормоза (переменное);
23. 220SA – напряжение (В) питания электротормоза. |
Типоразмер |
M max, Нм |
D - выходного вала,
мм |
VF 27 |
14 |
9 |
VF 30 |
25 |
14 |
VF 44 |
56 |
18 |
VF 49 |
89 |
25 |
W63 |
190 |
25 |
W75 |
320 |
28 (30) |
W86 |
440 |
35 |
W110 |
830 |
42 |
VF 130 |
1500 |
45 |
VF 150 |
2100 |
50 |
VF 185 |
3650 |
60 |
VF210 |
5100 |
90 |
VF250 |
7000 |
110 |
|
Габаритные и присоединительные размеры
Червячный редуктор VF 27
Червячный редуктор VF 30
Червячный редуктор VF 44
Червячный редуктор VF 49
Червячный редуктор W 63
Червячный редуктор W 75
Червячный редуктор W 86
Червячный редуктор W 110
Червячный редуктор VF 130
Червячный редуктор VF 150
Червячный редуктор VF 185
Червячный редуктор VF 210
Червячный редуктор VF 250
Реактивная штанга, выходной вал - размеры
Унифицированные опоры-лапы, защитный колпак
Монтажные положения VF/W
Вес червячных редукторов серии VF/W, кг
Выходные обороты и мощность электродвигателей (кВт) pdf.
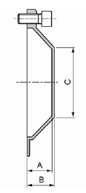
Реактивная штанга, выходной вал

VF, W |
A |
B |
C |
D |
E |
F |
G |
H |
I |
30 |
100 |
40 |
157,5 |
50 |
65 |
7 |
14 |
8 |
4 |
44 |
100 |
40 |
157,5 |
50 |
65 |
7 |
14 |
8 |
4 |
49 |
100 |
55 |
172,5 |
68 |
94 |
7 |
14 |
8 |
4 |
63 |
150 |
55 |
233 |
75 |
90 |
9 |
20 |
10 |
6 |
75 |
200 |
63 |
300 |
90 |
110 |
9 |
25 |
20 |
6 |
86 |
200 |
80 |
318 |
110 |
130 |
11 |
25 |
20 |
6 |
110 |
250 |
100 |
388 |
130 |
165 |
13 |
25 |
20 |
6 |
130 |
300 |
125 |
470 |
180 |
215 |
13 |
30 |
25 |
6 |
150 |
300 |
125 |
470 |
180 |
215 |
15 |
30 |
25 |
6 |
185 |
350 |
150 |
545 |
230 |
265 |
17 |
30 |
25 |
6 |
210 |
350 |
175 |
625 |
250 |
300 |
19 |
60 |
50 |
8 |
250 |
400 |
225 |
725 |
350 |
400 |
19 |
60 |
50 |
10 |
Назад
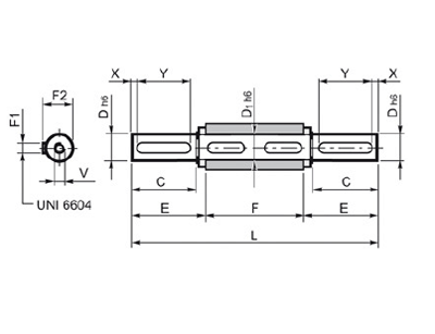
VF, W |
C |
D |
D1 |
E |
F |
F1 |
F2 |
M |
L |
N |
V |
X |
Y |
30 |
30 |
14 |
14 |
35 |
55 |
5 |
16 |
61 |
120 |
96 |
M5x13 |
5 |
20 |
44 |
40 |
18 |
18 |
45 |
64 |
6 |
20,5 |
70 |
149,4 |
115 |
M6x16 |
5 |
30 |
49 |
60 |
25 |
25 |
65 |
82 |
8 |
28 |
89 |
208,4 |
154 |
M8x19 |
5 |
50 |
63 |
60 |
25 |
25 |
65 |
120 |
8 |
28 |
127 |
246,4 |
192 |
M8x19 |
5 |
50 |
75_D28 |
60 |
28 |
28 |
65 |
127 |
8 |
31 |
134 |
255 |
199 |
M8x20 |
5 |
50 |
75_D30 |
60 |
30 |
30 |
65 |
127 |
8 |
33 |
134 |
255 |
199 |
M10x22 |
5 |
50 |
86 |
60 |
35 |
35 |
65 |
140 |
10 |
38 |
149 |
268 |
214 |
M10x22 |
5 |
50 |
110 |
75 |
42 |
42 |
80 |
155 |
12 |
45 |
164 |
313,5 |
244 |
M12x28 |
7,5 |
60 |
130 |
80 |
45 |
45 |
85 |
165 |
14 |
48,5 |
176 |
334,5 |
261 |
M12x32 |
5 |
70 |
150 |
85 |
50 |
50 |
93 |
175 |
14 |
53,5 |
185 |
355 |
278 |
M16x40 |
7,5 |
70 |
185 |
100 |
60 |
60 |
110 |
190 |
18 |
64 |
200 |
400 |
310 |
M16x40 |
10 |
80 |
210 |
130 |
90 |
90 |
140 |
260 |
25 |
95 |
255 |
540 |
395 |
M20x50 |
5 |
120 |
250 |
165 |
100 |
100 |
175 |
320 |
28 |
116 |
315 |
670 |
490 |
M24x64 |
15 |
140 |
Назад
Унифицированные опоры-лапы KA, KV (унификация с серией VF)

|
A |
H |
M |
N |
O |
P |
R |
S |
T |
U |
W 63 – WR 63 |
100 |
27,5 |
111 |
95 |
11 |
8 |
135 |
145 |
56,5 |
15,5 |
W 75 – WR 75 |
115 |
28 |
115 |
120 |
11 |
9 |
139 |
174 |
56,5 |
15,5 |
W 86 – WR 86 |
142 |
42 |
146 |
140 |
11 |
11 |
170 |
200 |
69 |
20 |
W 110 – WR 110 |
170 |
45 |
181 |
200 |
13 |
14 |
210 |
250 |
69 |
20 |
Назад
Защитный колпак
|
|
A |
B |
C |
W 63 - WR 63 |
26,5 |
29 |
Ø35 |
W 75 - WR 75 |
24,5 |
27 |
Ø54 |
W 86 - WR 86 |
26,5 |
29 |
Ø71 |
W 110 – WR 110 |
27,5 |
30 |
Ø89 |
|
Назад
Вес червячных редукторов серии (VF, W) Bonfiglioli, кг
VF 27 |
0,7 |
VF 30 |
1 |
VF 44 |
2 |
VF 49 |
3 |
W 63 |
7 |
W 75 |
10 |
W 86 |
14 |
W 110 |
29 |
VF 130 |
49 |
VF 150 |
60 |
VF 185 |
94 |
VF 210 |
210 |
VF 250 |
310 |
|
| |
|
| ©
2014 Редукторы, мотор-редукторы, устройства плавного пуска, преобразователи частоты |
|
|